- Главная
- Комплектующие
- Сервомоторы
- R88M-K1K020H-S2/BS2 (1 кВт, 2000 об/мин, 230 В)
R88M-K1K020H-S2/BS2 (1 кВт, 2000 об/мин, 230 В)
Артикул R88M-K1K520
R88M-K1K020H-S2/BS2 - стандартный сервомотор, 4,77 Н·м, 1 кВт, 2000 об/мин, 230 В, 20-разр. инкрементный энкодер, прямой вал со шпонкой и резьбой, без тормоза / с тормозом.
Мощность [кВт]: 1
Обороты [об/мин]: 3 000
Серводвигатели Accurax G5 обеспечивают защиту по стандарту IP67. Благодаря использованию 10-полюсных двигателей и 20-битного энкодера обеспечивается снижение пульсации крутящего момента на 40 %. Благодаря конструкции статора PACK & CLAMP серводвигатели Accurax G5 стали легче и компактнее. Кроме того, сокращены потери в сердечнике двигателя и уменьшен размер энкодера.
Особенности:
- модели со стандартным и повышенным моментом инерции ротора;
- пиковый момент — 300% номинального в течение 3 секунд и более в зависимости от модели;
- высокая точность благодаря 20-разрядному энкодеру, есть исполнение с абсолютным энкодером;
- низкая погрешность скорости и момента благодаря низкой пульсации крутящего момента;
- степень защиты IP67 во всех моделях;
- класс изоляции F (В для некоторых моделей);
- сверхмалый вес и компактный размер двигателя;
- различные исполнения, отличающиеся конструкцией вала, наличием тормоза и уплотнения;
- полностью закрытый корпус, естественное охлаждение.
Структура условного обозначения сервомоторов

*Необходимые параметры укажите в комментарии к заказу.
| Параметры | K1K020 | K1K520 | ||
| Номинальная мощность на валу, Вт | 1000 | 1500 | ||
| Номинальный крутящий момент, Н·м | 4,77 | 7,16 | ||
| Кратковременный пиковый момент, Н·м | 14,3 | 21,5 | ||
| Номинальный ток, А | 5,7 | 9,4 | ||
| Кратковременный максимальный ток, А | 24 | 40 | ||
| Максимальная скорость, об/мин | 3000 | |||
| Постоянная момента, Н·м/А | 0,63 | 0,58 | ||
| Момент инерции ротора, кг·м2*10-4 | без тормоза | 4,6 | 6,7 | |
| с тормозом | 5,9 | 7,99 | ||
| Номинальная скорость преобразования мощности, кВт/с | без тормоза | 49,5 | 76,5 | |
| с тормозом | 38,6 | 64,2 | ||
| Допустимая радиальная нагрузка, N | 490 | |||
| Допустимая осевая нагрузка, N | 196 | |||
| Масса, кг | без тормоза | 5,2 | 6,7 | |
| с тормозом | 6,7 | 8,2 | ||
| Характеристики тормоза | ||||
| Номинальное напряжение, В | 24±10% | |||
| Момент инерции тормоза, кг·м2*10-4 | 1,35 | |||
| Потребляемая мощность, Вт | 14 | 19 | ||
| Потребляемый ток, А | 0,59±10% | 0,79±10% | ||
| Время установления удерживающего момента, мс | 80 | 100 | ||
| Время размыкания, мс | 70 | 50 | ||
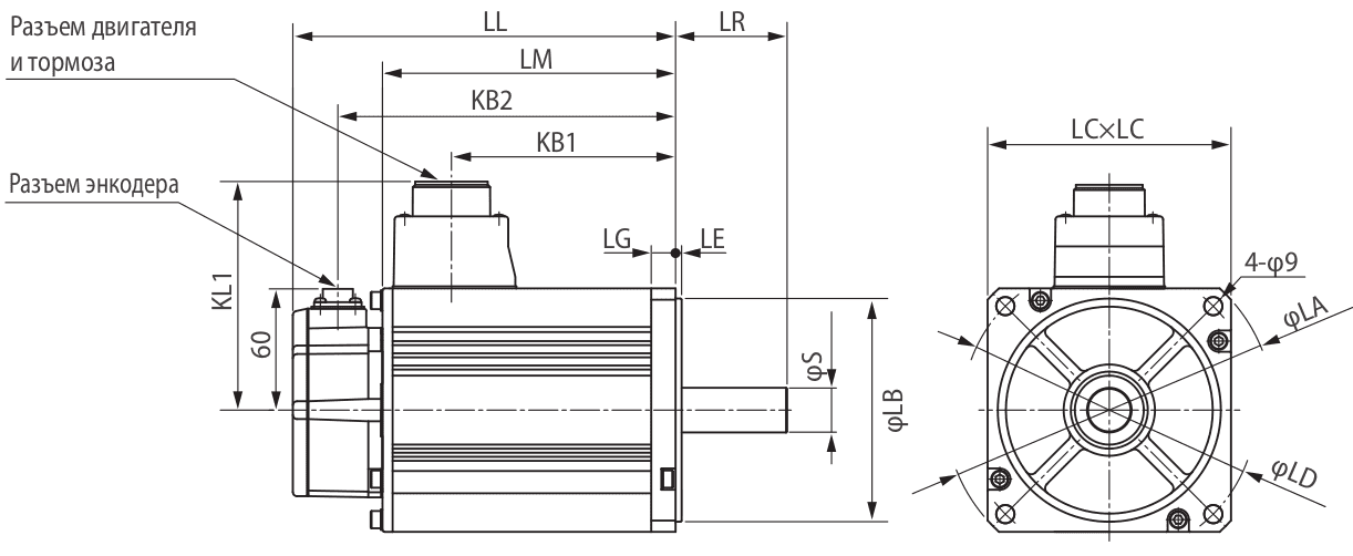
Конструктивные размеры
| Размеры, мм | K1K020 | K1K520 | |
| LC | 130 | ||
| LL | без тормоза | 138 | 155,5 |
| с тормозом | 163 | 180,5 | |
| LM | без тормоза | 94 | 111,5 |
| с тормозом | 119 | 136,5 | |
Для заказов на сумму более 50 000 руб. доставка включена в стоимость.
В других случаях рассчитывается исходя из веса отправления и региона доставки.
Возможна доставка любой удобной для заказчика ТК
Сроки доставки от 1 до 3 дней по Центральному региону
По умолчанию мы работаем с двумя курьерскими компаниями:
Major — российская компания, занимающаяся продажей автомобилей и перевозками грузов. Крупнейший, наряду с «Рольфом», автодилер страны.
DPDgroup — международная служба экспресс-доставки. В среднем ежедневно доставляет более 5 миллионов посылок. Работает под торговой марками DPD.
Это наши проверенные партнеры. Однако если вы предпочитаете работать с другой курьерской службой, у нас нет ограничений. Просто сообщите нам об этом. Мы согласуем все условия и отправим заказ с полным комплектом сопутствующей документации.
Как оплатить?
Оплата принимается по безналичному расчету. После согласования заказа мы выставляем счет на оплату. Заказ считается оплаченным после поступления суммы заказа на расчетный счет ООО «Эффективное производство».
Как получить?
География доставки — вся Россия. При перевозке грузы подлежат страхованию. Обычно доставка входит в стоимость продукции.
Приобретая продукцию у нас, вы можете быть уверены, что получаете оригинальное сертифицированное оборудование, комплектующие и оснастку.
На весь представленный ассортимент распространяется гарантия завода-изготовителя. Для каждого конкретного изделия производитель устанавливает определенный гарантийный срок. Обычно он составляет 12-36 месяцев.
Согласно п. 1 ст. 471 Гражданского кодекса РФ гарантийный срок на товар исчисляется с момента фактической передачи его покупателю.
При наступлении гарантийного случая и отсутствии следов некорректной эксплуатации, осуществляется замена неисправного оборудования в соответствии с Законом о защите прав потребителей.
Если утрата функциональности изделия связана с механическими повреждениями, попытками модификации или ремонта, нецелесообразным использованием, то компания ООО «Эффективное производство» не несет за это ответственности, а действие гарантийных обязательств прекращается.
Иногда мы сталкиваемся с ситуацией, когда подлинные запчасти работают некорректно, т.к. нарушена технология их установки. В таком случае наши инженеры удаленно помогают клиентам наладить эксплуатацию.


































